| 閥體材質 | WCB碳鋼、304不銹鋼、316不銹鋼 |
|---|---|
| 公稱通徑 | DN15~250mm |
| 公稱壓力 | PN1.6MPa、2.5MPa、4.0MPa、6.4MPa、Class150、300 |
| 密封形式 | 聚四氟乙烯PTFE密封(-40~150℃)、對位聚苯PPL密封(-40~300℃)、合金鋼H密封(-40~425℃)、硬質合金Y密封(-40~425℃) |
| 適用介質 | 水、蒸汽、油品、硝酸、醋酸、氧化性介質、尿素等多種介質 |
| 驅動形式 | 手柄、蝸輪、電動、氣動、液動等 |
| 行業應用 | 應用于 醫療器械、太陽能、清洗設備、食品機械、燃燒器、焊接切割、消防安全、生物制藥、機械制造等行業等 |
浮動式法蘭球閥用于PN16~PN63 的各種管路上,用于截斷或接通管路中的介質,選用不同的材質,四氟密封耐溫≤150℃,PPL密封耐溫≤250攝氏度??煞謩e適用于水、蒸汽、油品、液化氣、天然氣、煤氣、硝酸、醋酸、氧化性介質、尿素等多種介質。
執行機構選型
浮動式法蘭球閥通過支架和聯軸器和電動執行機構和氣動執行機構連接,組成,電動浮動式法蘭球閥(開關型和調節型控制信號4-20mA)和氣動浮動式法蘭球閥(開關型和調節型控制信號4-20mA)
| 零部件 | 材質 | |||||||
|---|---|---|---|---|---|---|---|---|
| 閥體 | ZG1Cr18Ni9Ti | CF8 | CF3 | ZG1Cr18Ni12Mo2Ti | CF8M | CF3M | ||
| 球體 閥桿 | 1Cr18Ni9Ti | 304 | 304L | 1Cr18Ni12Mo2Ti | 316 | 316L | ||
| 閥 座 | 聚四氟乙烯PTFE 加坡纖增強聚四氟乙烯PTFE+Glass 對位聚笨PPL | |||||||
| 墊片 | 聚四氟乙烯PTFE 不銹鋼/柔性石墨 齒形墊片 | |||||||
| 閥桿座 | 聚四氟乙烯PTFE 不銹鋼/柔性石墨 | |||||||
| 填料 | 聚四氟乙烯PTFE 增強柔性石墨 | |||||||
| 填料壓蓋 | 1Cr18Ni9Ti | 304 | 304L | 1Cr18Ni12Mo2Ti | 316 | 316L | ||
| 溫度 | -29℃~150℃(聚四氟乙烯 PTFE) -29℃~200℃(加玻纖增強聚四氟乙烯 PTFE+GLASS) -29℃~300℃(對位聚笨 PPL) | |||||||
| 介質 | 水 蒸汽 油品 | 硝酸類 | 強氧化介質 | 醋酸類 | 尿素類 | |||
| 設計與制造 | 結構長度 | 法蘭尺寸 | 壓力-溫度 | 試驗-檢驗 |
|---|---|---|---|---|
| GB122237 | GB12221 | GB9113 JB79 | GB9131 | GB/T13927 JB/T9092 |
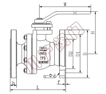
| 1.6MPa | DN | L | D | D1 | D2 | b | n-φd | H | D0 |
|---|---|---|---|---|---|---|---|---|---|
| 凸面法蘭 RF Q41F Q41PPL 16C 16P 16R |
15 | 130 | 95 | 65 | 45 | 14 | 4-14 | 78 | 140 |
| 20 | 140 | 105 | 75 | 55 | 14 | 4-14 | 84 | 160 | |
| 25 | 150 | 115 | 85 | 65 | 14 | 4-14 | 95 | 180 | |
| 32 | 165 | 135 | 100 | 78 | 16 | 4-18 | 150 | 250 | |
| 40 | 180 | 145 | 110 | 85 | 16 | 4-18 | 150 | 300 | |
| 50 | 200 | 160 | 125 | 100 | 18 | 4-18 | 170 | 350 | |
| 65 | 220 | 180 | 145 | 120 | 20 | 4-18 | 195 | 350 | |
| 80 | 250 | 195 | 160 | 135 | 20 | 8-18 | 215 | 400 | |
| 100 | 280 | 215 | 180 | 155 | 20 | 8-18 | 250 | 500 | |
| 125 | 320 | 245 | 210 | 185 | 22 | 8-18 | 265 | 600 | |
| 150 | 360 | 280 | 240 | 210 | 24 | 8-23 | 270 | 800 | |
| 200 | 400 | 335 | 295 | 265 | 26 | 12-23 | 330 | 1200 | |
| 2.5MPa | 15 | 130 | 95 | 65 | 45 | 16 | 4-14 | 103 | 140 |
| 凸面法蘭 RF Q41F Q41PPL 25 25P 25R | 20 | 140 | 105 | 75 | 55 | 16 | 4-14 | 112 | 160 |
| 25 | 150 | 115 | 85 | 65 | 16 | 4-14 | 123 | 180 | |
| 32 | 165 | 135 | 100 | 78 | 18 | 4-18 | 150 | 250 | |
| 40 | 180 | 145 | 110 | 85 | 18 | 4-18 | 156 | 300 | |
| 50 | 200 | 160 | 125 | 100 | 20 | 8-18 | 172 | 350 | |
| 65 | 220 | 180 | 145 | 120 | 22 | 8-18 | 197 | 350 | |
| 80 | 250 | 195 | 160 | 135 | 22 | 8-23 | 222 | 400 | |
| 100 | 280 | 230 | 190 | 160 | 24 | 8-23 | 253 | 500 | |
| 125 | 320 | 270 | 220 | 188 | 28 | 8-25 | 275 | 600 | |
| 150 | 360 | 300 | 250 | 218 | 30 | 8-25 | 286 | 800 | |
| 200 | 400 | 360 | 310 | 278 | 34 | 12-25 | 340 | 1200 |
| 4.0MPa | DN | L | D | D1 | D2 | D6 | b | n-φd | H | D0 |
|---|---|---|---|---|---|---|---|---|---|---|
| 凹凸法蘭 MFM Q41F Q41PPL 40 40P 40R | 15 | 130 | 95 | 65 | 45 | 40 | 16 | 4-14 | 103 | 140 |
| 20 | 140 | 105 | 75 | 55 | 51 | 16 | 4-14 | 112 | 160 | |
| 25 | 150 | 115 | 85 | 65 | 58 | 16 | 4-14 | 123 | 160 | |
| 32 | 180 | 135 | 100 | 78 | 66 | 18 | 4-18 | 150 | 250 | |
| 40 | 200 | 145 | 110 | 85 | 76 | 18 | 4-18 | 156 | 250 | |
| 50 | 220 | 160 | 125 | 100 | 88 | 20 | 4-18 | 172 | 350 | |
| 65 | 250 | 180 | 145 | 120 | 110 | 22 | 8-18 | 197 | 350 | |
| 80 | 280 | 195 | 160 | 135 | 121 | 22 | 8-18 | 222 | 450 | |
| 100 | 320 | 230 | 190 | 160 | 150 | 24 | 8-23 | 253 | 450 | |
| 125 | 400 | 270 | 220 | 188 | 176 | 28 | 8-25 | 275 | 600 | |
| 150 | 400 | 300 | 250 | 218 | 204 | 30 | 8-25 | 286 | 800 | |
| 200 | 550 | 375 | 320 | 282 | 260 | 38 | 12-30 | 340 | 1200 | |
| 6.4MPa | 15 | 165 | 105 | 75 | 55 | 40 | 18 | 4-14 | 105 | 140 |
| 凹凸法蘭 MFM Q41F Q41PPL 64 64P 64R | 20 | 190 | 125 | 90 | 68 | 51 | 20 | 4-18 | 125 | 160 |
| 25 | 216 | 135 | 100 | 78 | 58 | 22 | 4-18 | 135 | 250 | |
| 32 | 229 | 150 | 110 | 82 | 66 | 24 | 4-23 | 150 | 350 | |
| 40 | 241 | 165 | 125 | 95 | 76 | 24 | 4-23 | 165 | 350 | |
| 50 | 292 | 175 | 135 | 105 | 88 | 26 | 4-23 | 175 | 450 | |
| 65 | 330 | 200 | 160 | 130 | 110 | 28 | 8-23 | 200 | 450 | |
| 80 | 356 | 210 | 170 | 140 | 121 | 30 | 8-23 | 210 | 600 | |
| 100 | 432 | 250 | 200 | 168 | 150 | 32 | 8-25 | 250 | 700 | |
| 125 | 508 | 295 | 240 | 202 | 176 | 36 | 8-30 | 295 | 1100 | |
| 150 | 559 | 340 | 280 | 240 | 204 | 38 | 8-34 | 340 | 1500 |
| 球閥說明書 | 下載 |
|---|---|
| 球閥說明書-上海川滬閥門有限公司 | 點擊下載 |